产品中心
PRODUCTS
Kulite压力传感器
kulite高温压力传感器XTME-190(M)
坚固高温小型压力传感器XTME-190(M)系列
• 工作温度范围-29℃ To 232℃
• 卓越的稳定性
• 高固有频率
• 无机粘结传感器
• 结构坚固
XTME-190系列采用金属平膜作为压力感应传导元件。小螺纹,安装方便,带有O型密封圈。该产品体积小,压力感应面为金属齐平膜,可直接安装在压力容器壁面和管道管壁上等,节省了安装空间。可持续工作在高温环境中,最高工作温度可达+450°F (+232°C).

技术参数表
| 压力量程 | 1.7 3.5 7 17 35 70 170 350 BAR 25 50 100 250 500 1000 2500 5000 PSI |
| 压力类型 | 绝压, 通气表压,差压 绝压, 通气表压, 密封表压, 差压 绝压, 密封表压 |
| 过载压力 | 2 倍额定压力量程(最大到250psi) 超过500PSI 1.5倍额定压力量程 |
| 破裂压力 | 3 倍额定压力(最大到 6000 PSI (420 BAR)) |
| 压力介质 | 兼容17-4或15-5不锈钢的大多数导电性液体或气体 (产品所带的密封圈不一定和所有压力介质兼容) |
| 额定激励电压 | 10 VDC/AC |
| 最大激励电压 | 12 VDC/AC |
| 输入阻抗 | 650Ohms (Min.) |
| 输出阻抗 | 1000 Ohms (Nom.) |
| 满量程输出(FSO) | 75 mV (Nom.) |
| 零位输出 | ± 5 mV (Typ.) |
| 综合非线性、迟滞性和重复性 | ± 1% FSO BFSL (典型值) |
| 分辨率 | 无限小 |
| 压力膜片固有频率(KHz) (典型值) | 75 95 125 210 290 410 560 930 |
| 加速度灵敏度% FS/g垂直 | 2.3x10-3 1.4x10-3 9.6x10-4 6.2x10-4 4.3x10-4 3.0x10-4 2.1x10-4 1.3x10-4 |
| 绝缘电阻 | 100 Megohm Min. @ 50 VDC |
| 工作温度范围 | -20°F 到+450°F (-29°C 到+232°C) |
| 补偿温度范围 | +80°F 到+450°F (+25°C 到+232°C) |
| 温度零点漂移 | ±3% FS/100°F (Typ.) 最大±4%/100℉(量程≤7BAR) ±2% FS/100°F (Typ.) 最大±3%/100℉(量程>7BAR) |
| 温度灵敏度漂移 | ±3%/100°F (Typ.) 最大±4%/100℉(量程≤7BAR) ±2%/100°F (Typ.) 最大±3%/100℉(量程>7BAR) |
| 线性振动 | 10-2,000 Hz Sine, 20g. (Max.) |
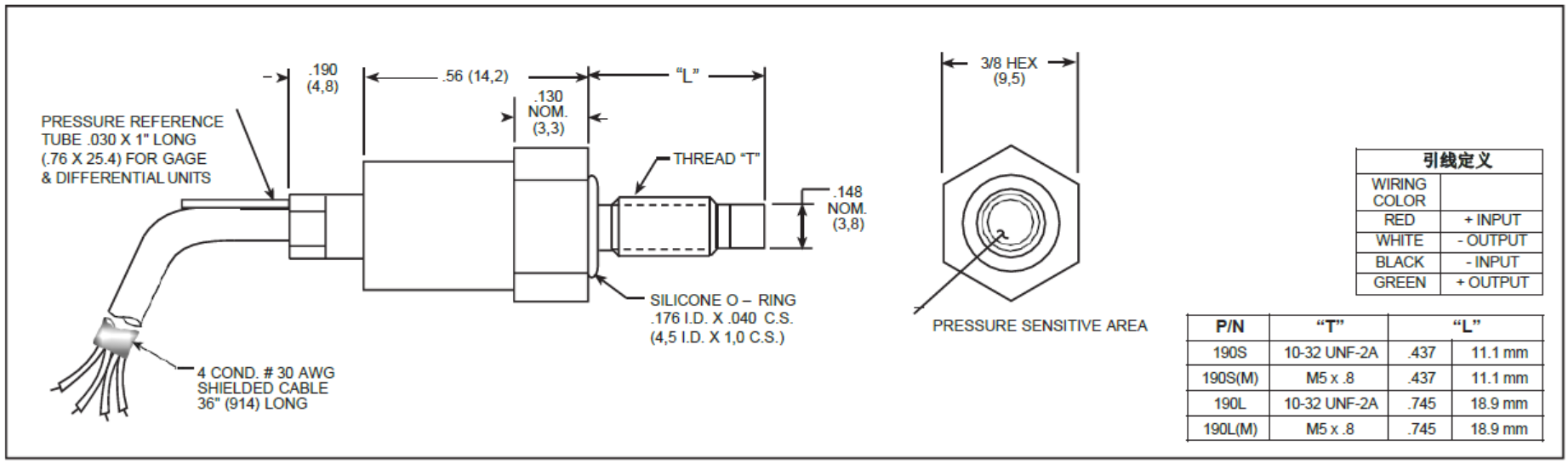
| 电气连接 | 4 芯30 AWG 屏蔽电缆36 英寸长 |
| 重量 | 4 克 (Nom.) 不包括电缆 |
| 压力感应原理 | 无机粘贴压阻式传感器 |
| 安装扭矩 | 15 Inch-Pounds (Max.) 1.7 Nm |
注:可提供定制压力范围、精度和机械配置。尺寸单位为英寸。括号中的尺寸单位为毫米。所有标称尺寸。(G)我们产品的持续开发和改进可能会导致规格变更,恕不另行通知。





