产品中心
PRODUCTS
Kulite压力传感器
kulite高温压力传感器XTEH-7L-190(M)/XTEH-10L-190(M)
高温压力传感器XTEH-7L-190(M)
• –55℃ To 400℃工作温度范围
• 无引线专利技术VIS®
• 高固有频率
• 适用于涡轮发动机试验
XTEH系列具有宽工作温度范围,该宽工作温度范围特性使其适合涡轮发动机压力测量,由于该产品结构坚固和宽工作温度特性,也可应用于其他同等温度要求较高的工业场合测试。
如果在水中使用,不能保证传感器零部件性能。
XTEH-7L-190(M)技术参数表

| 压力量程 | 1.7 3.5 7 14 21 35 70 140 210 BAR 25 50 100 200 300 500 1000 2000 3000 PSI |
| 压力类型 | 绝压, 密封表压 |
| 过载压力 | 2 倍额定压力(最大到 500PSI (35 BAR)),1.5倍额定压力量程高于500PSI (35 BAR) |
| 破裂压力 | 3 倍额定压力(最大到 5000 PSI (350 BAR)) |
| 压力介质 | 兼容大多数液体或气体 (产品所带的密封圈不一定和所有压力介质兼容) |
| 额定激励电压 | 10 VDC |
| 最大激励电压 | 12 VDC |
| 输入阻抗 | 1000 Ohms (Min.) |
| 输出阻抗 | 1000 Ohms (Nom.) |
| 满量程输出(FSO) | 100 mV (Nom.) |
| 零位输出 | ± 5 mV (Typ.) |
| 综合非线性、迟滞性和重复性 | ± 0.1% FSO BFSL (典型值), ± 0.5% FSO BFSL (最大值) |
| 分辨率 | 无限小 |
| 压力膜片固有频率(KHz) (典型值) | 240 300 380 500 575 700 1000 1400 1650 |
| 加速度灵敏度% FS/g垂直 | 5.0x10-4 3.0x10-4 1.5x10-4 1.1x10-4 9.0x10-5 6.5x10-5 4.0x10-5 2.5x10-5 1.9x10-5 |
| 绝缘电阻 | 100 Megohm Min. @ 50 VDC |
| 工作温度范围 | -65°F 到+750°F (-55°C 到+400°C)(压力感应区域) -65°F 到+525°F (-55°C 到+274°C)(电缆区域) |
| 补偿温度范围 | +80°F 到+650°F (+25°C 到+343°C) |
| 温度零点漂移 | ± 1.5% FS/100°F (Typ.) |
| 温度灵敏度漂移 | ± 1.5% /100°F (Typ.) |
| 机械振动 | 20g半正弦波11msec.脉宽 |
| 线性振动 | 10-2,000 Hz Sine, 100g. (Max.) |
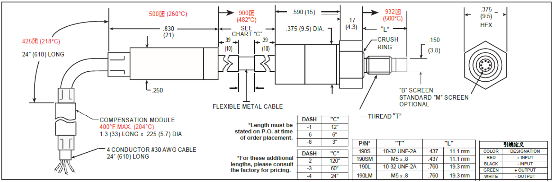
| 电气连接 | 4 芯30 AWG 屏蔽电缆(模块前30英寸,模块后24英寸) |
| 重量 | 8 克 (Nom.) 不包括电缆 |
| 压力感应原理 | 惠斯登全桥硅基无引线专利技术 |
| 安装扭矩 | 15 Inch-Pounds (Max.) 1.7 Nm |
高温压力传感器XTEH-10L-190(M)系列
• –55℃ To 500℃ 工作温度范围*
• 无引线专利技术VIS®
• 高固有频率
• 适用于涡轮发动机试验
XTEH系列具有宽工作温度范围,该宽工作温度范围特性使其适合涡轮发动机压力测量,由于该产品结构坚固和宽工作温度特性,也可应用于其他同等温度要求较高的工业场合测试。
如果在水中使用,不能保证传感器零部件性能。
XTEH-10L-190(M)技术参数表

| 压力量程 | 1.7 3.5 7 14 21 35 70 140 210 BAR 25 50 100 200 300 500 1000 2000 3000 PSI |
| 压力类型 | 绝压, 密封表压 |
| 过载压力 | 2 倍额定压力(最大到 500PSI (35 BAR)),1.5倍额定压力量程高于500PSI (35 BAR) |
| 破裂压力 | 3 倍额定压力(最大到 5000 PSI (350 BAR)) |
| 压力介质 | 兼容大多数液体或气体 (产品所带的密封圈不一定和所有压力介质兼容) |
| 额定激励电压 | 10 VDC |
| 最大激励电压 | 12 VDC |
| 输入阻抗 | 1000 Ohms (Min.) |
| 输出阻抗 | 1000 Ohms (Nom.) |
| 满量程输出(FSO) | 100 mV (Nom.) |
| 零位输出 | ± 5 mV (Typ.) |
| 综合非线性、迟滞性和重复性 | ± 0.1% FSO BFSL (典型值), ± 0.5% FSO BFSL (最大值) |
| 分辨率 | 无限小 |
| 压力膜片固有频率(KHz) (典型值) | 240 300 380 500 575 700 1000 1400 1650 |
| 加速度灵敏度% FS/g垂直 | 5.0x10-4 3.0x10-4 1.5x10-4 1.1x10-4 9.0x10-5 6.5x10-5 4.0x10-5 2.5x10-5 1.9x10-5 |
| 绝缘电阻 | 100 Megohm Min. @ 50 VDC |
| 工作温度范围 | -65°F 到+932°F (-55°C 到+500°C),注意:在超过850℉(454℃)的操作条件先,使用年限有限 |
| 补偿温度范围 | +80°F 到+850°F (+25°C 到+454°C) |
| 温度零点漂移 | ± 1.5% FS/100°F (Typ.) |
| 温度灵敏度漂移 | ± 1.5% /100°F (Typ.) |
| 机械振动 | 20g半正弦波11msec.脉宽 |
| 线性振动 | 10-2,000 Hz Sine, 100g. (Max.) |
| 电气连接 | 4 芯30 AWG 屏蔽电缆(模块前30英寸,模块后24英寸) |
| 重量 | 8 克 (Nom.) 不包括电缆 |
| 压力感应原理 | 惠斯登全桥硅基无引线专利技术 |
| 安装扭矩 | 15 Inch-Pounds (Max.) 1.7 Nm |
注:可提供定制压力范围、精度和机械配置。尺寸单位为英寸。括号中的尺寸单位为毫米。所有标称尺寸。(G)我们产品的持续开发和改进可能会导致规格变更,恕不另行通知。





