产品中心
PRODUCTS
Kulite压力传感器
kulite高温压力传感器XTEL-140(M)/XTEL-190(M)
微型高温压力传感器XTEL-140(M)/XTEL-190(M)系列
• -55℃ To 232℃工作温度范围
• 安装方便
• 小螺纹
• 无引线专利技术VIS®
• 高固有频率
• 适合于大多数导电液体和气体
XTEL系列采用Kulite无引线专利技术,是一款小螺纹型压力传感器,具有高固有频率。该产品可同时测量静态和动态压力,甚至可用于恶劣环境中。该产品工作温度范围宽(-55℃ To 232℃),可大量用于航空航天及其它工业领域。
如果在水中使用,不能保证传感器零部件性能。
XTEL-140(M)技术参数表

| 压力量程 | 0.7 1.0 1.7 3.5 7 17 35 BAR 10 15 25 50 100 250 500 PSI |
| 压力类型 | 绝压, 通气表压,差压 绝压, 通气表压, 密封表压, 差压 绝压, 密封表压 |
| 过载压力 | 2 倍额定压力 |
| 破裂压力 | 3 倍额定压力 |
| 压力介质 | 所有非导电性、非腐蚀性液体或气体 (产品所带的密封圈不一定和所有压力介质兼容) |
| 额定激励电压 | 10 VDC/AC |
| 最大激励电压 | 12 VDC/AC |
| 输入阻抗 | 1000 Ohms (Min.) |
| 输出阻抗 | 1000 Ohms (Nom.) |
| 满量程输出(FSO) | 100 mV (Nom.) |
| 零位输出 | ± 5 mV (Typ.) |
| 综合非线性、迟滞性和重复性 | ± 0.1% FSO BFSL (典型值), ± 0.5% FSO BFSL (最大值) |
| 分辨率 | 无限小 |
| 压力膜片固有频率(KHz) (典型值) | 175 200 240 300 380 550 700 |
| 加速度灵敏度% FS/g垂直 | 1.0x10-3 6.5x10-4 5.0x10-4 3.0x10-4 1.5x10-4 1.0x10-4 6.0x10-5 |
| 绝缘电阻 | 100 Megohm Min. @ 50 VDC |
| 工作温度范围 | -65°F 到+450°F (-55°C 到+232°C) |
| 补偿温度范围 | +80°F 到+450°F (+25°C 到+232°C) |
| 温度零点漂移 | ± 1% FS/100°F (Typ.) |
| 温度灵敏度漂移 | ± 1% /100°F (Typ.) |
| 等加速度 | 10,000g. (Max.) |
| 线性振动 | 10-2,000 Hz Sine, 100g. (Max.) |
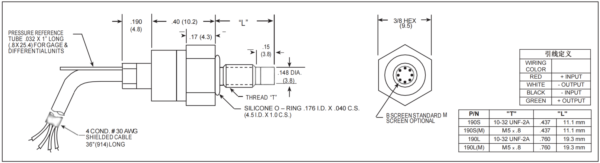
| 电气连接 | 4 芯26 AWG 屏蔽电缆36 英寸长 |
| 重量 | 3 克 (Nom.) 不包括电缆 |
| 压力感应原理 | 惠斯登全桥硅基无引线专利技术 |
| 安装扭矩 | 15 Inch-Pounds (Max.) 1.7 Nm |
XTEL-190(M)技术参数表

| 压力量程 | 0.7 1.0 1.7 3.5 7 17 35 70 140BAR 10 15 25 50 100 250 500 1000 2000 PSI |
| 压力类型 | 绝压, 通气表压,差压 绝压, 通气表压, 密封表压, 差压 绝压, 密封表压 |
| 过载压力 | 2 倍额定压力量程最值到500PSI(35BAR),1.5倍额定压力量程超过500PSI(35BAR) |
| 破裂压力 | 3 倍额定压力量程最大到5000PSI(350BAR) |
| 压力介质 | 所有非导电性、非腐蚀性液体或气体 (产品所带的密封圈不一定和所有压力介质兼容) |
| 额定激励电压 | 10 VDC/AC |
| 最大激励电压 | 12 VDC/AC |
| 输入阻抗 | 1000 Ohms (Min.) |
| 输出阻抗 | 1000 Ohms (Nom.) |
| 满量程输出(FSO) | 100 mV (Nom.) |
| 零位输出 | ± 5 mV (Typ.) |
| 综合非线性、迟滞性和重复性 | ± 0.1% FSO BFSL (典型值), ± 0.5% FSO BFSL (最大值) |
| 分辨率 | 无限小 |
| 压力膜片固有频率(KHz) (典型值) | 175 200 240 300 380 550 700 1000 1400 |
| 加速度灵敏度% FS/g垂直 | 1.0x10-3 6.5x10-4 5.0x10-4 3.0x10-4 1.5x10-4 1.0x10-4 6.0x10-5 4.5x10-5 2.0x10-5 |
| 绝缘电阻 | 100 Megohm Min. @ 50 VDC |
| 工作温度范围 | -65°F 到+525°F (-55°C 到+273°C)(介质), -65°F 到+450°F (-55°C 到+232°C)(环境) |
| 补偿温度范围 | +80°F 到+450°F (+25°C 到+232°C) |
| 温度零点漂移 | ± 1% FS/100°F (Typ.) |
| 温度灵敏度漂移 | ± 1% /100°F (Typ.) |
| 机械振动 | 20g半正弦波11MSEC.脉宽 |
| 线性振动 | 10-2,000 Hz Sine, 20g. (Max.) |
| 电气连接 | 4 芯26 AWG 屏蔽电缆36 英寸长 |
| 重量 | 4 克 (Nom.) 不包括电缆 |
| 压力感应原理 | 惠斯登全桥硅基无引线专利技术 |
| 安装扭矩 | 15 Inch-Pounds (Max.) 1.7 Nm |
注:可提供定制压力范围、精度和机械配置。尺寸单位为英寸。括号中的尺寸单位为毫米。所有标称尺寸。(G)我们产品的持续开发和改进可能会导致规格变更,恕不另行通知。





