产品中心
PRODUCTS
Kulite压力传感器
kulite石油钻井仪器压力传感器IPT-6-750HT/IPT-4N-750HT/IPT-25-750
石油钻井仪器压力传感器IPT-6-750HT系列
·卓越的长期稳定性
·合金材质结构
·内置温度传感器
·硅-硅(silicon on silicon)集成传感器
·高量程输出
·本安型可选(i.e. IS-IPT-6-750HT)
IPT-6-750HT井下压力传感器利用kulite的先进技术,可在350℉(+175℃)的温度下提供极好的长期稳定性和高精度测量,合金材质结构适用于腐蚀性介质或环境。该传感器提供了一组系数,用于软件校准热变化下固有的零位和量程。
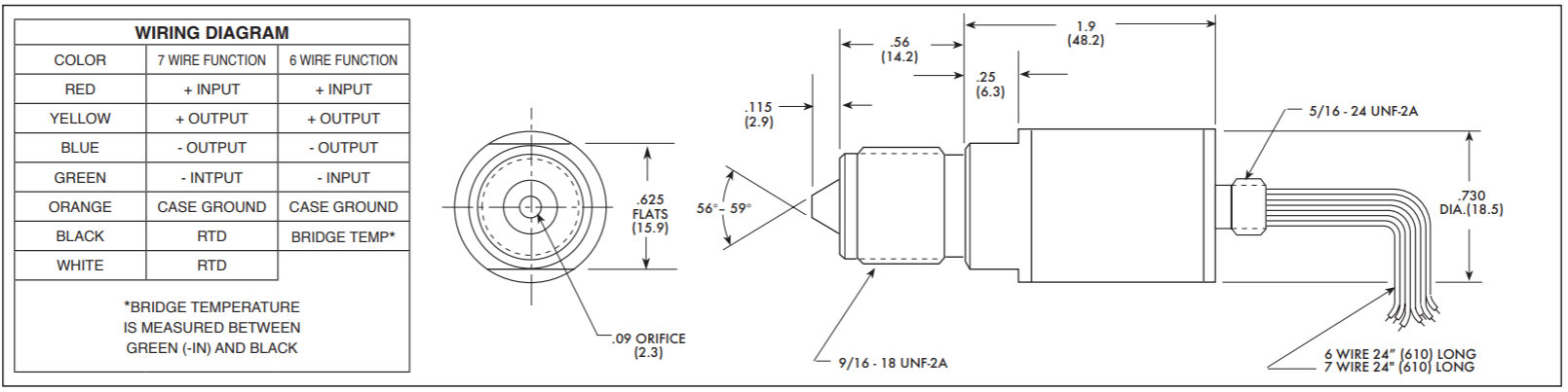
IPT-6-750HT系列技术参数表

| 压力量程 | 70 170 350 700 1050 BAR 1000 2500 5000 10000 15000 PSI |
| 压力类型 | 绝压 |
| 过载压力 | 2 倍额定压力量程(22500PSI以内) |
| 破裂压力 | 3 倍额定压力量程(22500PSI以内) |
| 压力介质 | 任何兼容铬镍铁合金的液体或气体 |
| 额定激励电压 | 5 VDC/AC(RMS) |
| 最大激励电压 | 7 VDC/AC(RMS) |
| RTD激励 | 1mA(最大2mA) |
| 输入阻抗 | 2500 Ohms (Min.) |
| 输出阻抗 | 2500 Ohms (Nom.) |
| 满量程输出(FSO) | 100 mV (Nom.) |
| 温度传感器 | 1000 Ohm Platinum RTD Per DIN EN 60751 (IEC 751) (BS 43760) Class A |
| 零位输出 | ± 5 % |
| 综合非线性、迟滞性和重复性 | ± 0.1% FSO BFSL (典型值), ± 0.5% FSO BFSL (最大值) |
| 分辨率 | 无限小 |
| 压力膜片固有频率(KHz) (典型值) | 720 910 1120 1350 1500 |
| 绝缘电阻 | 100 Megohm Min. @ 50 VDC |
| 工作温度范围 | -40°F 到+350°F (-40°C 到+175°C) |
| 机械冲击 | 20g Half Sine Wave 11 msec. Duration |
| 线性振动 | 10-2,000 Hz Sine, 20g. (Max.) |
| 电气连接 | 7 线24" (610) 长 (内置 RTD) 6 线 24" (610) 长 (内置 Bridge Temp.) |
| 重量 | 4 克 (Nom.) 不包括电缆 |
| 压力感应原理 | 硅绝缘惠斯登全桥 |
| 压力点 | 9/16-18 UNF-24, Mates with Autoclave F250C |
石油钻井仪器压力传感器IPT-25-750系列
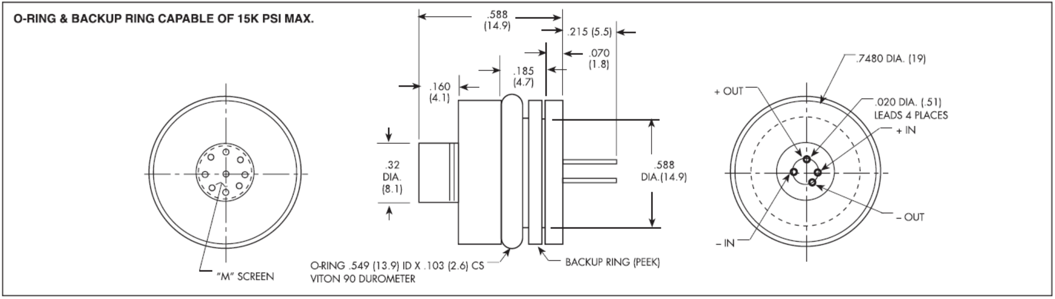
·19mm最大直径
·耐腐蚀
·不锈钢或铬镍铁合金外壳结构
·压力范围高达10000PSI
·O型密封圈
用于井下工具的低成本OEM组件。每个传感器都提供一个在不同温度下的输出灵敏度和桥电阻值表。当与固定串联电阻一起使用式,这些数据为工程师提供了参考。
IPT-25-750系列技术参数表

| 压力量程 | 35 70 170 350 700 BAR 500 1000 2500 5000 10000 PSI |
| 压力类型 | 绝压 |
| 过载压力 | 30000PSI(2100BAR) |
| 破裂压力 | 30000PSI(2100BAR) |
| 压力介质 | 任何兼容铬镍铁合金的液体或气体 |
| 额定激励电压 | 3-5 VDC |
| 输入阻抗 | 1500 Ohms (Min.) |
| 输出阻抗 | 1500 Ohms (Nom.) |
| 满量程输出(FSO) | 150 mV (Nom.)@5V Input |
| 综合非线性、迟滞性和重复性 | ± 0.25% FSO BFSL (32°F to +350°F) (0°C to +175°C) |
| 分辨率 | 无限小 |
| 压力膜片固有频率(KHz) (典型值) | 1000KHz |
| 工作温度范围 | -40°F 到+392°F (-40°C 到+200°C) |
| 线性振动和等加速度 | 250g half Sine Wave 2ms |
| 电气连接 | 4引脚或导线终端 |
| 压力感应原理 | 硅绝缘惠斯登全桥 |





