产品中心
PRODUCTS
Kulite压力传感器
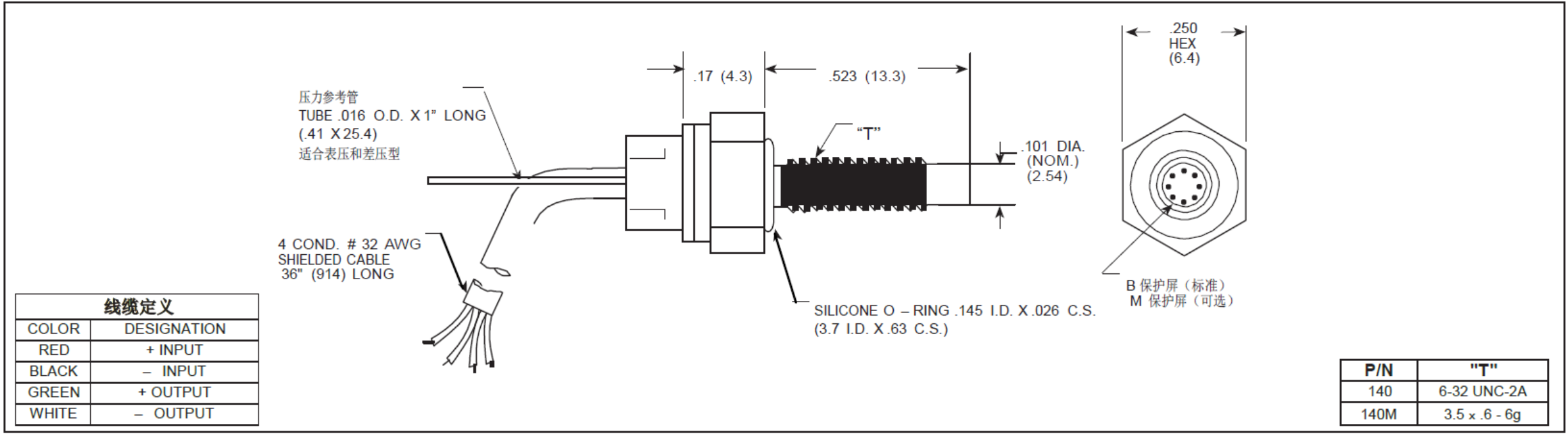
kulite标准压力传感器XT-140(M)/XTL-140(M)
超小螺纹型压力传感器XT-140(M)/XTL-140 (M) 系列
• 方便安装
• 小螺纹(公制M3.5*0.6-6g),适合小螺纹接口设备和安装空间受限场合
• 硅-硅(Silicon on Silicon)专利技术集成传感器VIS®
• 高固有频率
注:XTL为无引线专利技术设计,兼容大多数导电性液体或气体

技术参数表
| 压力量程 | 0.35 0.7 1.0 1.7 BAR 5 10 15 25 PSI |
| 压力类型 | 绝压, 表压, 差压 绝压, 表压, 密封表压, 差压 |
| 过载压力 | 2 倍额定量程 |
| 破裂压力 | 3 倍额定量程 |
| 压力介质 | 所有非导电性, 非腐蚀性液体或气体 (随产品提供的密封圈不保证兼容所有介质) |
| 额定激励电压 | 10 VDC/AC |
| 最大激励电压 | 12 VDC/AC |
| 输入阻抗 | 1000 Ohms (Min.) |
| 输出阻抗 | 1000 Ohms (Nom.) |
| 满量程输出(FSO) | 100 mV (Nom.) |
| 零位输出 | ± 5 mV (Typ.) |
| 综合非线性、迟滞性和重复性 | ± 0.1% FSO BFSL (Typ.), ± 0.5% FSO (Max.) |
| 分辨率 | 无限小 |
| 不带保护屏传感器 固有频率(KHz) (Typ.) | 150 175 200 240 |
| 加速度灵敏度% FS/g垂直 | 1.5x10-3 1.0x10-3 6.5x10-4 5.0x10-4 |
| 绝缘电阻 | 100 Megohm Min. @ 50 VDC |
| 工作温度范围 | -65°F 到+350°F (-55°C 到+175°C) |
| 补偿温度范围 | +80°F 到+180°F (+25°C 到+80°C) |
| 温度零点漂移 | ± 1% FS/100°F (Typ.) |
| 温度灵敏度漂移 | ± 1% /100°F (Typ.) |
| 等加速度 | 10,000 g. (Max.) |
| 线性振动 | 10-2,000 Hz Sine, 100g. (Max.) |
| 电气连接 | 4 Conductor 32 AWG Cable 36" Long |
| 重量 | 3 克(Nom.) 不包括电缆 |
| 压力感应原理 | 惠斯登全桥电绝缘硅-硅专利技术 |
| 安装扭矩 | 15 Inch-Pounds (Max.) 1.7 Nm |





